SSFC Series Flange Type Large Diameter Hose Connec
Category: Plastic Cable Gland
Product details
SSFC Series Flange Type Large Diameter Hose Connector
Product Overview
Material:PA6
Temperature:-40℃-105℃
Protection degree:IP54
Color:Black/Gray
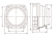
Structure Chart

Technical Parameter
| Article No | AD Fits to | A(mm) | B(mm) | C(mm) | D(mm) | φE(mm) | φF(mm) | G(mm) | 安裝螺釘(mm) |
| SSFC-AD67 | AD67.2 | 94 | 80.0 | 53.0 | 69 | 83 | 52 | 52 | M6 |
| SSFC-AD80 | AD80.0 | 110 | 94.0 | 60.0 | 80 | 96 | 68 | 60 | M6 |
Operable V distributor SSVG
Product Overview
Material:Nylon6
Temperature:-40℃-105℃
Protection degree:IP40
Color:Black
Features:convenient disassembly and cheap
Structure Chart

Technical Parameter
SSVG Series Can Show V-type Tee Connector
| Article No | Fit to conduit | A | B | Package | |||||
| SSVG-131313 | AD13/13/13 | 55 | 37.3 | 50 | |||||
| SSVG-161313 | AD15.8/13/13 | 55.6 | 41.3 | 50 | |||||
| SSVG-161613 | AD15.8/15.8/13 | 55.6 | 41.5 | 50 | |||||
| SSVG-211313 | AD21.2/13/13 | 43.5 | 39.5 | 50 | |||||
| SSVG-211613 | AD21.2/15.8/13 | 48.7 | 37.2 | 50 | |||||
| SSVG-211616 | AD21.2/15.8/15.8 | 59.2 | 46 | 50 | |||||
| SSVG-211613 | AD21.2/15.8/13 | 59.2 | 46 | 25 | |||||
| SSVG-212116 | AD21.2/21.2/15.8 | 63.5 | 47.5 | 25 | |||||
| SSVG-282113 | AD28.5/21.2/13 | 54.5 | 52 | 20 | |||||
| SSVG-282116 | AD28.5/21.2/15.8 | 55.2 | 51.7 | 20 | |||||
| SSVG-282116 | AD28.5/21.2/15.8 | 55.2 | 51.7 | 20 | |||||
| SSVG-282813 | AD28.5/28.5/13 | 68.5 | 57.7 | 20 | |||||
| SSVG-282821 | AD28.5/28.5/21.2 | 78 | 61.5 | 20 | |||||
| SSVG-342828 | AD34.5/28.5/28.5 | 88.4 | 67.4 | 20 | |||||